VAT excluded and Shipping calculated at checkout
Fassi Part Number: PO165 Barcode:
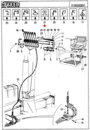
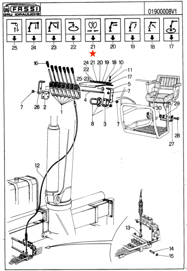
Grab (closed) crane control decal for the directional indication, on medium to heavy duty crane ranges.